產品導航
Product navigation
當前位置:首頁 > 振動垂直提升機 > 振動垂直提升機
振動垂直提升機
發布人:新鄉天太斗式提升機廠家 發布時間:2019-09-11

DZC振動垂直提升機產品概述:
DZC系列垂直振動輸送機(振動垂直提升機)是一種新型的垂直提升機,本機對大多顆粒狀、塊狀、粉狀的固體物料(粘度不)都可以輸送。廣泛應用于礦山、冶金、機械、建材、化工、橡膠、醫藥、電力、糧食、食品等行業的塊狀、粉狀和短纖維狀固體物料的提升,DZC型振動垂直提升機在向上提升物料的同時,還可以完成對物料的干燥和冷卻。分開槽式、封閉式兩種結構,并可根據不同的工藝要求,設計物料顆粒分級作用的篩選提升機及設計易燃易爆物料的提升機。
DZC振動垂直提升機主要特點:
1.產品占地面積小,便于工藝布置。
2.物料可向上輸送,亦可向下輸送。
3.噪音低,結構簡單,安裝、維修便利。
4.結構簡單合理、能耗小,節約電能,料槽磨損小。

DZC振動垂直提升機工作原理:
DZC系列振動垂直提升機的驅動裝置振動電機安裝在輸送塔下部,兩臺振動電機對稱交叉安裝,輸送塔由管體和焊接在管體周圍的螺旋輸送槽組成,輸送塔座于減振裝置上,減振裝置由底座和隔振彈簧組成。當垂直輸送機工作時,根據雙振動電機自同步原理,由振動電機產生激振力,強迫整個輸送塔體作水平圓運動和向上垂直運動的空間復合振動,螺旋槽內的物料則受輸送槽的作用,作勻速拋擲圓運動,沿輸送槽體向上運動,從而完成物料的向上(或向下)輸送作業。
DZC系列垂直振動提升機型號說明:
DZ C-□
┬ ┬ ┬
│ │ │
│ │ │
│ │ │
│ │ └───────── 輸送高度(mm)
│ └──────────- 垂直輸送
└──────────── 振動電機
1.基本型(ZC--口),為敞開輸送槽結構,用于一股物料無特殊要求的向上(或向下)輸送作業。
2.封閉型(ZC--口F)為封閉輸送槽結構,用于對物料有防塵要求的場合向上(或向下)輸送作業。
DZC系列振動垂直提升機電源控制:
DZC系列振動垂直提升機配套GK型反接制動控制箱。用于使輸送機在停機時,快速通過共振區,防止機器經過共振區時產生較大的振幅,同時具有對電機過流、過載、斷相等保護功能。
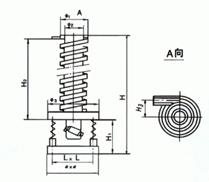
DZC系列振動垂直提升機安裝尺寸:

型號 | Φ | Φ1 | Φ2 | H | H1 | H2 | H3 | D | Lx8 | Ld×Bd | Φd |
DZC300 | 300 | 146 | 500 | ~2000 | ~2750 | 40 | 75 | 270 | 680×680 | 11 | |
DZC500 | 500 | 219 | 850 | ~3000 | ~4020 | 50 | 80 | 475 | 1080×1080 | 880×880 | 13 |
DZC550 | 550 | 245 | 900 | ~3500 | ~4530 | 55 | 85 | 500 | 1100×1100 | 900×900 | 13 |
DZC600 | 600 | 273 | 950 | ~4000 | ~5150 | 60 | 85 | 525 | 1100×1100 | 900×900 | 15 |
DZC800 | 800 | 351 | 1200 | ~4500 | ~5650 | 60 | 90 | 650 | 1300×1300 | 1050×1050 | 15 |
DZC850 | 850 | 402 | 1250 | ~5000 | ~6150 | 65 | 100 | 675 | 1400×1400 | 1150×1150 | 17 |
DZC900 | 900 | 530 | 1300 | ~6000 | ~7180 | 65 | 110 | 700 | 1600×1600 | 1300×1300 | 17 |
DZC系列振動垂直提升機技術參數表:
| 型號 | 輸送量 (t/h) | 輸送槽直徑 (mm) | 輸送寬度 (mm) | 輸送高度 (m) | 振次 (min) | 雙振幅 (mm) | 電動功率 (kw) | 重量 (kg) |
| DZC300 | ~1.0 | 300 | 77 | ≤2.0 | 960 | 6~7 | 2×0.4 | 680 |
| DZC500 | ~2.0 | 500 | 140 | ≤3.0 | 6~8 | 2×0.75 | 1010 | |
| DZC550 | ~3.0 | 550 | 152 | ≤3.5 | 6~8 | 2×1.5 | 1190 | |
| DZC600 | ~3.0 | 600 | 163 | ≤4.0 | 6~7 | 2×1.5 | 1321 | |
| DZC800 | ~4.0 | 800 | 224 | ≤4.5 | 6~8 | 2×2.2 | 1590 | |
| DZC850 | ~4.0 | 850 | 224 | ≤5.0 | 6~9 | 2×2.2 | 1750 | |
| DZC900 | ~3.5 | 900 | 185 | ≤6.0 | 6~9 | 2×3.0 | 2100 |
版權說明:如非注明,本站文章均為新鄉天太斗式提升機廠家原創,轉載請注明出處和附帶振動垂直提升機本文鏈接。

